

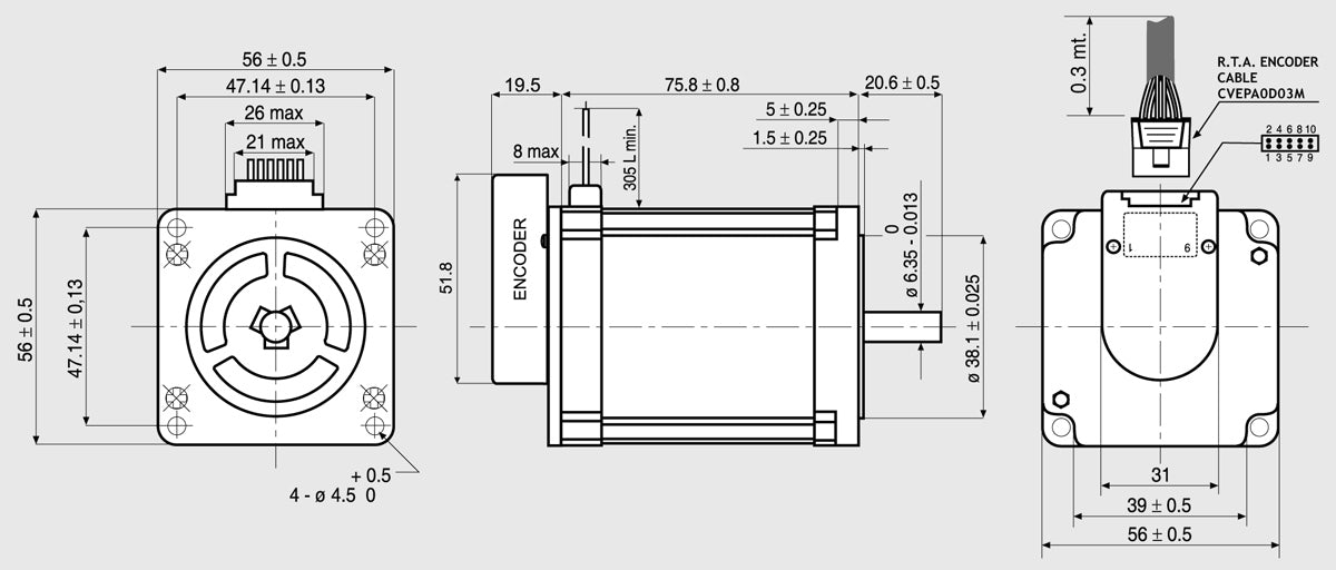
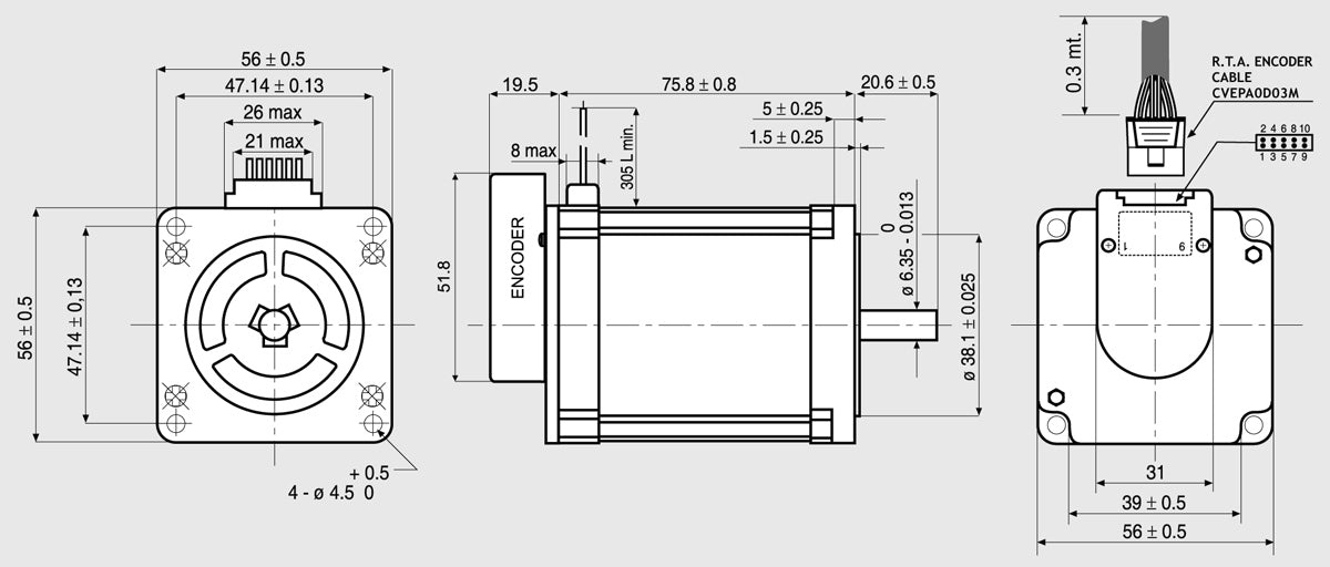
MOT ENC EM 2H2M-04D0
Codice prodotto: EM2H2M04D0
Motore EM 2H2M-04D0 munito di encoder con risoluzione a 400 cpr.
Composto da un motore Passo Passo SANYO DENKI 103-H7126-1710 Flangia 56 mm. ( NEMA 23 ) con coppia di tenuta di 165 Ncm, è adatto ad essere utilizzato in abbinamento con azionamenti R.T.A. serie BSD, CSD, NDC, ADW, HGD, FLEX DRIVE.

MOT ENC EM 2H2M-04D0
Precio de oferta€150,71



