

MOT ENC EM 3F3H-04D0
Codice prodotto: EM3F3H04D0
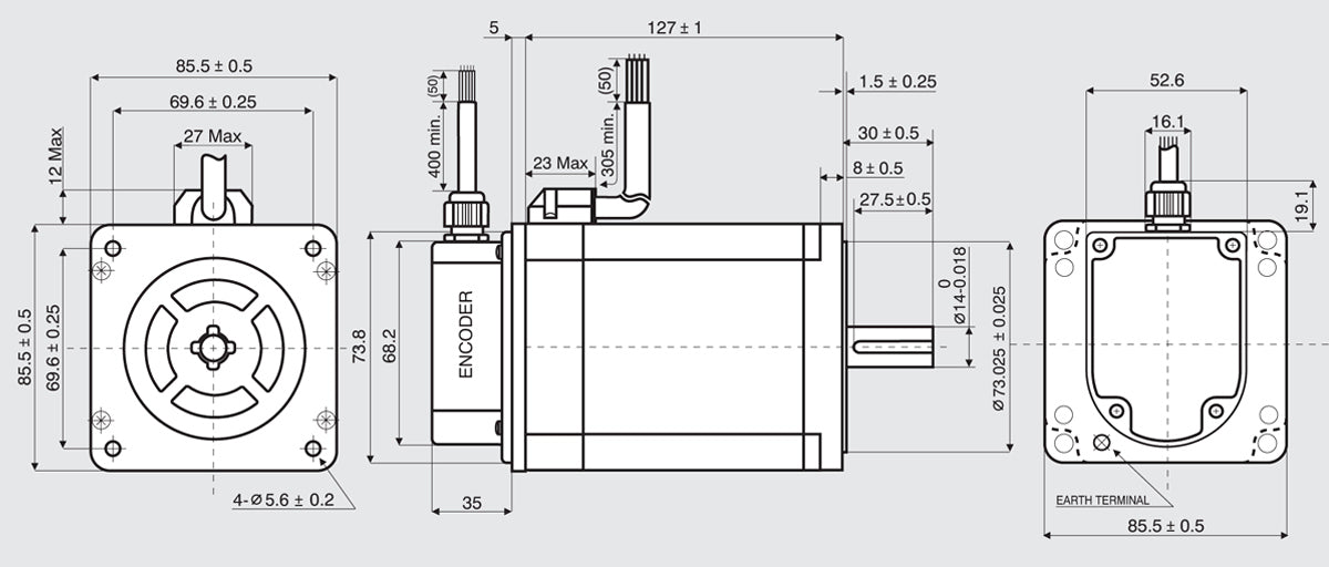
Motore EM 3F3H-0xx0 munito di encoder con risoluzione a 400 cpr.
Composto da un motore Passo Passo SANYO DENKI SM 2863-5225 Flangia 85.5 mm (NEMA 34). con coppia di tenuta di 920 Ncm.

MOT ENC EM 3F3H-04D0
Precio de oferta€348,95



